JTMB8536 step-up converter that provides a boosted output voltage from a low voltage source,starts up at a very low input voltage down to 0.9V, and only consumes 15uA at standby
一,
产品概述(General Description) ![]()
The JTMB8536 is a step-up converter that provides a boosted output voltage from
a low voltage source. Because of its proprietary design, it starts up at a very
low input voltage down to 0.9V, and only consumes 15uA at standby, making it an
ideal choice for single cell alkaline/NiMH battery operations.A switching frequency
of 1MHz minimizes solution footprint by allowing the use of tiny, low profile
inductors and ceramic capacitors. The current mode PWM design is internally
compensated, reducing external parts count.JTMB8536 is available in SOT23-3 and SOT89-3
Package.
二</span>.
产品特点(Features)![]()
Efficiency up to 94%@Vin=3.3V, Vout=5.5V
Typical 15uA standby current
1MHz Switching Frequency allows small
inductor and output cap
Input boost-strapping allows using small or
no input cap
Low Vin Start-up Voltage down to 0.9V Ideal
for Single Alkaline Cell operations
Maximum Output Current up to 300mA
Low Noise PWM control
Internally Compensated Current Mode Control
Internal Synchronous Rectifier
Available in SOT23-3 and SOT89-3
三</span>,
应用范围 (Applications)![]()
One to Three Cell Battery Operated Devices
Medical Instruments
Bluetooth Headsets
Flash-Based MP3 Players
Noise Canceling Headphones
四.
技术规格书下载(产品PDF)</span>![]()
五,
产品封装图 (Package)![]()

六.
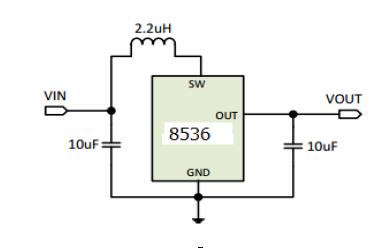
电路原理图</span>![]()

七</span>,
功能概述![]()
Symbol | Parameter | Conditions | Min | Typ | Max | Unit |
Vin | Input Voltage Range | 0.9 | 5 | V | ||
Vstart | Startup Voltage | Iout = 1mA | 0.9 | V | ||
Vhold | Hold Voltage | Iout = 50mA | 0.5 | 0.7 | V | |
Vout | Output Voltage Range | 1.8 | 5.5 | V | ||
Output voltage accuracy | Iout = 0mA | 2 | % | |||
Line regulation | Iout = 50mA | 0.1 | 0.2 | %/V | ||
Load regulation | Iout = 0~300mA | 1 | 2 | % | ||
Fsoc | Switching Frequency | Vout=0.95Vo, No inductor | 0.7 | 1 | 1.4 | MHz |
Max Duty cycle | Vout=0.95Vo, No inductor | 85 | 90 | 95 | % | |
IQ | Quiescent Current at Vout | Vout=1.05*Vo | 5 | 8 | 15 | uA |
| Supply current at Vin | Iout = 0mA | 20 | uA | |||
Efficiency | Iout = 100mA | 85 | % | |||
RdsonP | PMOS Rdson | Isw =100mA | 400 | 600 | mohm | |
RdsonN | NMOS Rdson | Isw =100mA | 200 | 300 | mohm | |
Iswlk | SW Leakage Current | Vout=5.2V, Vsw=0 or 5.2V | 1 | uA |
八,
相关芯片选择指南![]()
| 升压型<span style="">DC/DC转换器</span>(DC/DC Step-up Converter ) | |||||||||||
| Part No. | MODE | VIN | VOUT | IQ | FOSC | Eff. | Accu. | Power switching | IOUT | Package | Application |
| JTMB8531 | PFM | 0.8~5.5V | 2.5~6V 100mV Step | 4μA | 450KHz | 85% | ±2% | Internal MOSFET | 300mA | SOT89-3 SOT23-3 SOT23-5 | 玩具,鼠标,应急充, MP4 |
| JTMB8531C | PFM | 0.8~5.5V | 2.5~6V 100mV Step | 6μA | 400KHz | 90% | ±2% | External MOSFET | - | SOT89-5 SOT23-3 SOT23-5 | 玩具,鼠标,应急充, MP4 |
| JTMB8542B | Sync Boost PFM/PWM | 0.85~5V | 3.3, 5V, ADJ | 25μA | 1MHz | 95% | ±2% | Internal Sync Rectifier | 300mA | SOT23-5 | 玩具,3D眼镜,蓝牙耳机 |
| JTMB8536 | Sync Boost PWM | 0.9~5V | 1.8~5.5V | 8μA | 1MHz | 94% | ±2% | Internal Sync Rectifier | 300mA | SOT89-3 SOT23-3 | 鼠标,玩具 |
| JTMB8537 | Sync Boost PWM | 0.9~5V | 1.8~5.5V | 8μA | 1MHz | 94% | ±2% | Internal Sync Rectifier | 300mA | SOT23-5 | 鼠标,玩具 |

中文
English

发表评论