|
Each CXPR16U05ABC device can protect four high-speed data lines. The combined features of low capacitance, small size and high ESD robustness make CXPR16U05ABC ideal for high-speed data ports and high | |||||||||||||||||||||||||||||||||||||||||||||||
|
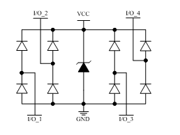
目录产品概述 返回TOP CXPR16U05ABC uses small SOT23-6L package. Each CXPR16U05ABC device can protect four high-speed data lines. The combined features of low capacitance, small size and high ESD robustness make CXPR16U05ABC ideal for high-speed data ports and high-frequency lines (e.g., HDMI & DVI) applications. The low clamping voltage of the CXPR16U05ABC guarantees a minimum stress on the protected IC.CXPR16U05ABC is a low capacitance Transient Voltage Suppressor (TVS) designed to provide electrostatic discharge (ESD) protection for high-speed data interfaces. With typical capacitance of 0.7pF only, CXPR16U05ABC is designed to protect parasitic-sensitive systems against over-voltage and over-current transient events. It complies with IEC 61000-4-2(ESD) (±20kV air, ±20kV contact discharge), IEC 61000-4-5 (Surge) (3A, 8/20μs), etc.产品特点 返回TOP
Transient protection for high-speed data lines
IEC 61000-4-2(ESD) ±20kV (Air) ±20kV (Contact) IEC 61000-4-5 (Surge) 3A (8/20μs)
For 5V and below operating voltage Small package (2.9mm*2.8mm*1.4mm) Protects four data lines Low capacitance: 0.7pF Typical (I/O-GND) Low leakage current: 0.1μA @ VRWM (Typical) Low clamping voltage Each I/O pin can withstand over 1000 ESD strikes for ±8kV contact discharge Green Part 应用范围 返回TOP
Video Graphics Cards Desktops, Servers and Notebooks IEEE 1394 Ports USB2.0 Power and Data Line Protection Display Ports SIM Ports 技术规格书(产品PDF) 返回TOP 需要详细的PDF规格书请扫一扫微信联系我们,还可以获得免费样品以及技术支持!
| |||||||||||||||||||||||||||||||||||||||||||||||
|
ESD |
||||||||||
|
Part Number |
Port Type |
Channels |
Direction |
Vrwm (V) |
Cj(pF) |
ESD(kV) |
Ipp (A) |
Vc@1A (V) |
Ppk (W) |
Package |
|
DC IN |
1 |
Uni |
12 |
150 |
30 |
15 |
16 |
350 |
SOD323 |
|
|
DC IN |
1 |
Uni |
5 |
350 |
30 |
25 |
9 |
350 |
SOD323 |
|
|
RJ4 |
||||||||||





