CXSU63215是一颗高效同步升压转换芯片,内部 集成低阻抗功率 Mos。输入 3.6V,输出电压 5.0V,输出电流 2.4A 时效率可达 90%。具有 短路保护功能,内部集成软启动电路,无需外 部补偿电容,外部反馈网络
-
[ 产品资料下载 ]
目录
7.相关产品
产品概述 返回TOP
CXSU63215 是一颗高效同步升压转换芯片,内部 集成低阻抗功率 Mos。输入 3.6V,输出电压 5.0V,输出电流 2.4A 时效率可达 90%。具有 短路保护功能,内部集成软启动电路,无需外 部补偿电容,外部反馈网络。CXSU63215 为移动 电源等高效升压应用领域提供了新的解决方 案。
产品特点 返回TOP
输入 3.6V,输出电压 5.0V,输出电流 2.4A 时效率高达 90%
输入 3.0V,输出电压 5.0V,输出电流可 持续带载 3.0A
工作频率 500kHZ
内部集成同步整流 Mos,无需外部整流二 极管
外部反馈网络,输出电压可调节
恒流短路保护模式
电流模式,响应速度快
内部过流保护功能
应用范围 返回TOP
锂电池供电
智能手机
智能手机
平板电脑等智能充电领域
技术规格书(产品PDF) 返回TOP
需要详细的PDF规格书请扫一扫微信联系我们,还可以获得免费样品以及技术支持!

产品封装图 返回TOP


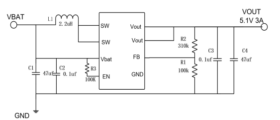
电路原理图 返回TOP
相关芯片选择指南 返回TOP 更多同类产品......
|
Boost DC/DC Converter |
|||||||||
|
Product |
Status |
Device Description |
VIN (min~max) |
VOUT |
IOUT |
IQ(typ) |
Vfb |
Frequency |
Pkg |
|
NEW |
5V/1A非同步升压/OC |
2.6~5.5V |
<6.5V |
1A |
260uA |
1.275V |
1MHZ |
SOT23-6 |
|
|
NEW |
V/2A非同步升压/OC |
2.6~5.5V |
<6.5V |
2A |
260uA |
1.275V |
1MHZ |
PSOP8 |
|
|
Active |
5V/2A非同步升压 |
2.5~6V |
<12V |
1.5/2.5A |
100uA |
0.6V |
1.2MHZ |
SOT23-6 PSOP8 |
|
|
Active |
5V/1.2A同步升压真关断 |
2.5~6V |
<12V |
1.2A |
100uA |
0.6V |
1MHZ |
PSOP8 |
|
|
Active |
2A(QC2.0)非同步升压 |
2.5~6V |
5V 9V |
2.2/1.8A |
200uA |
- |
1MHZ |
PSOP8 |
|
|
NEW |
5V/3A同步升压/智能识别 |
2.6~5.5V |
<5.5V |
3A |
190uA |
1.245V |
500KHZ |
PSOP8 |
|
|
NEW |
5V/3A同步升压 |
2.6~5.5V |
<5.5V |
3A |
190uA |
1.245V |
500KHZ |
PSOP8 |
|
◀ 上一篇:自动识别苹果divider协议CXSU63214快速充电识别功能的高效同步升压转换芯片输入3.6V输出电压5.0V输出电流2.4A时效率可达 90%
下一篇▶:1MHz的开关频率400毫安内部开关电流CXSU63216可调输出电压38V高频升压转换器内部软启动功能
| 热门信息 |
|---|
| 最新信息 |
|---|
| 推荐信息 |
|---|















