CXSU63171是一款高效的电流模式控制升压型直流-直流稳压器,集成了120mΩRDS(ON)N沟道MOSFET。固定的1MHz开关频率和内部补偿减少了外部元件数量,节省了PCB空间。内置内部软启动电路可将启动时的涌入电流降至最低。
-
[ 产品资料下载 ]
目录
7.相关产品
产品概述 返回TOP
CXSU63171 is a high efficiency, current‐mode control Boost DC to DC regulator with an integrated 120mΩ RDS(ON) N‐channel MOSFET. The fixed 1MHz switching frequency and internal compensation reduce external component count and save the PCB space. The build‐in internal soft start circuitry minimizes the inrush current at start‐up.
产品特点 返回TOP
Wide input range:2.7‐6V
1MHz switching frequency
Minimum on time: 100ns typical
Minimum off time: 100ns typical
Max output voltage: 6V
Low RDS(0N): 120mΩ
RoHS Compliant and Halogen Free
Compact package: SOT23‐6
应用范围 返回TOP
Cell Phone and Smart Phone
PDA, PMP, MP3
Digital Camera
技术规格书(产品PDF) 返回TOP
需要详细的PDF规格书请扫一扫微信联系我们,还可以获得免费样品以及技术支持!

产品封装图 返回TOP



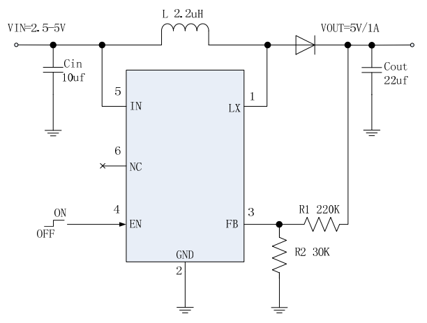
电路原理图 返回TOP

相关芯片选择指南 返回TOP 更多同类产品......
| Step-up Converter | ||||||
| Part No. | Input Voltage | Output Voltage | Current MAX | Frequency | Efficiency | Package |
| CXSU63168 | 6V | 20V | 350mA | 1.25MHz | 90% | SOT23-6 |
| CXSU63169 | 6V | 20V/28V/35V | 1A | 1MHz | 90% | SOT23-6 |
| CXSU63170 | 6V | 24V | 2A | 1.5MHz | 90% | SOT23-6 |
| CXSU63171 | 6V | 6V | 2A | 1MHz | 90% | SOT23-6 |
| CXSU63172 | 6V | 20V | 2A | 1.5MHz | 88% | SOT23-5 |
| CXSU63173 | 6V | 20V | 2A | 1.5MHz | 88% | SOT23-6 |
| CXSU63174 | 20V | 30V | 3.5A | 1.2MHz | 95% | DFN-10 |
| CXSU63175 | 6V | --V | --A | 1MHz | 90% | SOP-8/TSSOP-8 |
| CXSU63176 | 6V | 6V | 2A | 1MHz | 95% | SOT23-6 |
| CXSU63177 | 5V | 5V | 2.1A | 1.2MHz | 92% | /DFN-12/QFN-16QFN-16 |
| CXSU63178 | 5V | 5V | 2.1A | 1.2MHz | 92% | ESOP-8 |
| CXSU63179 | 5V | 5V | 6A | 1.2MHz | 92% | ESOP-8 |
◀ 上一篇:电流模式和固定频率升压转换器CXSU63170输入电压从2.7伏到6伏集成N-FET来驱动白色LED低导通电阻和低反馈电压降低了功率损耗
下一篇▶:2.7V至6V输入电压快速瞬态响应CXSU63172固定开关频率1.5MHz电流模式带集成N沟道MOSFET的升压稳压器效率高达90%
| 热门信息 |
|---|
| 最新信息 |
|---|
| 推荐信息 |
|---|















