CXSD62111提供了一个紧凑的电源解决方案,可提供笔记本电脑应用所需的2个电压。2个PWM控制器采用电流模式和移相180度控制方案,允许使用MLCC输出电容。更高的固定1MHz开关频率允许使用薄而小的滤波元件
-
[ 产品资料下载 ]
目录
7.相关产品
产品概述 返回TOP
The CXSD62111 offers a compact power supply solution to provide 2 voltages required by notebook application. The 2 PWM controllers use current-mode scheme with phase shift 180 degrees control scheme allow to use MLCC output capacitors. The higher fixed 1MHz switching frequency allows to use thin and small filtered components. The CXSD62111 provides good transient response and accurate DC output voltage in either PSM or PWM Mode. In Pulse Skipping Modulation Mode (PSM), the CXSD62111 provides high efficiency over light to heavy loads with loading modulated switching frequencies. The unique ultrasonic mode maintains the switching frequency above 25kHz, which eliminates noise in audio applications. The CXSD62111 built in individual enable control input on 2 channels for flexible power sequence adjustment. The powergood outputs (SYSPOK) indicate the operating mode of the PWMx. The ACXSD62111has been equipped with excellent protection functions: Power-on-RESET (POR), over-current protection (OCP), over-voltage protection OVP, under-voltage protection (UVP) and over-temperature protection (OTP) to prevent the device operate under abnormal condition or adjacent pin shortage. The CXSD62111is available in TQFN4x4-24 and QFN3x3- 20 package
产品特点 返回TOP
· Built in 2 PWM Controller into single chip
· High Input Battery Voltage Range from 5.5V to 28V
· Fixed 1.0MHz Switching Frequency for Individual Channel
· Built in Programmable Inductor DCR Sense For Inductor Current Sense Function
· Built in Current Mode Control with fully Support MLCC Output Capacitor
· Built in 180 degrees Phase Shift Function
· Built inPWM/PSM/Ultra Sonic PFM (25kHz) Control Schemes
· Built in Internal 5V/175mA and 3.3V/50mA Linear Regulators
· 0.5V Reference Voltage
· Built in Digital Soft-start
· Latch Off Mode for Both Channels
· Over-Temperature Protection
· Built in SYSPOK Report function for 2 PWM Channels
· Available in TQFN4x4-24 and QFN3x3-20 Package
· HalogenandLeadFreeAvailable (RoHSCompliant)
应用范围 返回TOP
· NB
技术规格书(产品PDF) 返回TOP
需要详细的PDF规格书请扫一扫微信联系我们,还可以获得免费样品以及技术支持!

产品封装图 返回TOP



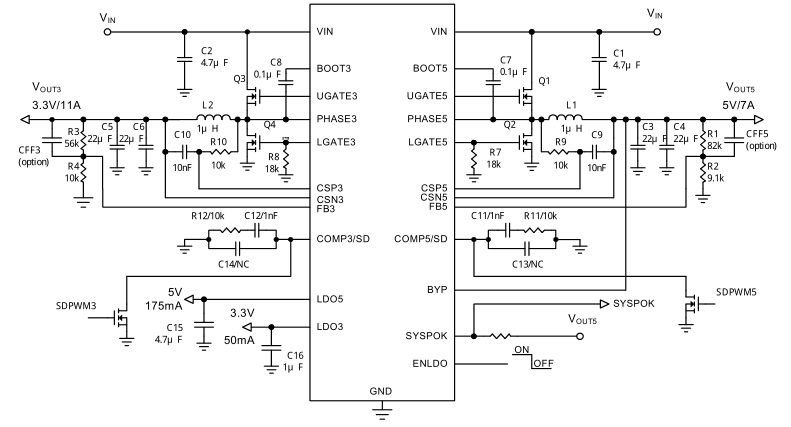
电路原理图 返回TOP
相关芯片选择指南 返回TOP 更多同类产品......
|
Switching Regulator > Buck Controller |
|||||||||||
|
Part_No |
Package |
Topology |
Archi tectu |
Phase |
No.of PWM Output |
Output Current (A) |
Input Voltage (V) |
Reference Voltage (V) |
Bias Voltage (V) |
Quiescent Current (uA) |
|
|
min |
max |
||||||||||
|
SOP-14|QSOP-16 QFN4x4-16 |
Buck |
VM |
1 |
1 |
30 |
2.9 |
13.2 |
0.9 |
12 |
8000 |
|
|
SOP-8 |
Buck |
VM |
1 |
1 |
20 |
2.9 |
13.2 |
0.8 |
12 |
5000 |
|
|
SOP-8 |
Buck |
VM |
1 |
1 |
20 |
2.9 |
13.2 |
0.8 |
12 |
5000 |
|
|
QFN4x4-24 |
Multiphase |
VM |
2 |
1 |
60 |
3.1 |
13.2 |
0.6 |
12 |
5000 |
|
|
SOP-8 |
Buck |
VM |
1 |
1 |
20 |
2.2 |
13.2 |
0.8 |
5~12 |
2100 |
|
|
SOP-8 |
Buck |
VM |
1 |
1 |
20 |
2.2 |
13.2 |
0.8 |
5~12 |
2100 |
|
|
SOP8|TSSOP8 |
Buck |
VM |
1 |
1 |
5 |
5 |
13.2 |
1.25|0.8 |
5~12 |
3000 |
|
|
SOP-8 |
Buck |
VM |
1 |
1 |
10 |
3.3 |
5.5 |
0.8 |
5 |
2100 |
|
|
SOP-14 |
Buck |
VM |
1 |
1 |
10 |
5 |
13.2 |
0.8 |
12 |
2000 |
|
|
TSSOP-24 |QFN5x5-32 |
Buck |
VM |
1 |
2 |
20 |
5 |
13.2 |
0.6 |
5~12 |
4000 |
|
|
SOP14|QSOP16 |QFN-16 |
Buck |
VM |
1 |
1 |
30 |
2.9 |
13.2 |
0.9 |
12 |
4000 |
|
|
SOP-14 |
Buck |
VM |
1 |
1 |
30 |
2.2 |
13.2 |
0.6 |
12 |
5000 |
|
|
SOP-14 |
Buck |
VM |
1 |
1 |
30 |
2.2 |
13.2 |
0.6 |
12 |
5000 |
|
|
SOP-14 |
Buck |
VM |
1 |
1 |
25 |
2.2 |
13.2 |
0.8 |
12 |
5000 |
|
|
LQFP7x7 48 |TQFN7x7-48 |
Buck|Boost |Flyback |
VM |
1 |
6 |
0.015 |
1.4 |
6.5 |
- |
5 |
1800 |
|
|
TSSOP-24P |
Buck |
VM |
1 |
2 |
20 |
2.97 |
5.5 |
0.8 |
5~12 |
5000 |
|
|
SOP-14 |
Buck |
VM |
1 |
1 |
10 |
5 |
13.2 |
0.8 |
12 |
3000 |
|
|
SOP-8-P|DIP-8 |
Buck |
VM |
1 |
1 |
30 |
2.9 |
13.2 |
1.2 |
12 |
3000 |
|
|
SSOP28 QFN4x4-24 |
Buck |
VM |
1 |
2 |
20 |
5 |
24 |
0.9 |
5 |
1200 |
|
|
SOP-20 |
Buck |
VM |
1 |
2 |
20 |
2.2 |
13.2 |
0.6 |
5~12 |
4000 |
|
|
SOP8|DFN3x3-10 |
VM |
1 |
2 |
- |
- |
- |
- |
5~12 |
550 |
||
|
DIP8|SOP-8 |
Buck|Boost |Flyback |Forward |
VM |
1 |
1 |
1 |
1.2 |
9 |
24 |
5 |
9 ~ 24 |
|
|
SSOP16|QFN4x4-16 |TQFN3x3-16 |
Buck |
VM |
1 |
1 |
25 |
3 |
25 |
0.6 |
5 |
1700 |
|
|
TDFN3x3-10 |
Buck |
COT |
1 |
1 |
25 |
3 |
25 |
0.5 |
5 |
350 |
|
|
QFN4x4-24 |
Buck |
CM |
2 |
1 |
40 |
4.5 |
13.2 |
0.6 |
5~12 |
4000 |
|
|
SOP8P|TDFN3x3-10 |
Buck |
VM |
1 |
1 |
20 |
3 |
13.2 |
0.8 |
5~12 |
2500 |
|
|
SOP8P |
Buck |
VM |
1 |
1 |
25 |
3 |
13.2 |
0.6|0.8 |
5~12 |
1200 |
|
|
TDFN3x3-10 |
Buck |
VM |
1 |
1 |
25 |
4 |
13.2 |
0.8 |
5~12 |
2000 |
|
|
TDFN3x3-10 |
Buck |
COT |
1 |
1 |
25 |
4.5 |
25 |
0.6 |
5~12 |
80 |
|
|
SOP-8P |
Buck |
VM |
1 |
1 |
25 |
4.5 |
13.2 |
0.8 |
5~12 |
16000 |
|
|
TQFN3x3-10 |
Buck |
VM |
1 |
1 |
25 |
4.5 |
13.2 |
0.6 |
5~12 |
2500 |
|
|
CXSD62101|L |
TDFN3x3-10 |
Buck |
COT |
1 |
1 |
30 |
3 |
25 |
0.8 |
5~12 |
2000 |
|
TQFN3x3-16 |
Buck |
COT |
1 |
1 |
30 |
1.8 |
28 |
0.6 |
5 |
600 |
|
|
CXSD62102A |
TQFN 3x3 16 |
Buck |
COT |
1 |
1 |
30 |
1.8 |
28 |
0.6 |
5 |
600 |
|
QFN4x4-24 |
Buck |
VM |
2 |
1 |
50 |
4.5 |
13.2 |
0.6 |
5~12 |
5000 |
|
|
TQFN4x4-24 |
Buck |
COT |
1 |
2 |
15 |
6 |
25 |
2 |
N |
550 |
|
|
TQFN4x4-24 |
Buck |
COT |
1 |
2 |
15 |
6 |
25 |
2 |
N |
550 |
|
|
CXSD62106|A |
TQFN4x4-4 TQFN3x3-20 |
Buck |
COT |
1 |
2 |
20 |
3 |
28 |
0.75 |
5 |
800 |
|
TQFN3x3-16 |
Buck |
COT |
1 |
1 |
20 |
1.8 |
28 |
0.75 |
5 |
400 |
|
|
QFN3.5x3.5-14 |TQFN3x3-16 |
Buck |
COT |
1 |
1 |
20 |
1.8 |
28 |
0.75 |
5 |
400 |
|
|
TQFN3x3-16 |
Buck |
COT |
1 |
2 |
20 |
1.8 |
28 |
0.75 |
5 |
400 |
|
|
QFN3x3-20 TQFN3x3-16 |
Buck |
COT |
1 |
2 |
20 |
3 |
28 |
1.8|1.5|0.5 |
5 |
740 |
|
|
TQFN4x4-24 |QFN3x3-20 |
Buck |
CM |
1 |
2 |
15 |
5 |
28 |
0.5 |
N |
3000 |
|
|
TDFN3x3-10 |
Buck |
COT |
1 |
1 |
20 |
1.8 |
28 |
0.5 |
5 |
250 |
|
|
CXSD62113|C |
TQFN3x3-20 |
Buck |
COT |
1 |
2 |
15 |
6 |
25 |
2 |
N |
550 |
|
CXSD62113E |
TQFN 3x3 20 |
Buck |
COT |
2 |
2 |
11 |
6 |
25 |
2 |
N |
550 |
|
TQFN3x3-20 |
Buck |
COT |
2 |
2 |
11 |
5.5 |
25 |
2 |
N |
280 |
|
|
QFN4x4-24 |
Multiphase |
VM |
2 |
1 |
60 |
3.1 |
13.2 |
0.85 |
12 |
5000 |
|
|
CXSD62116A|B|C |
SOP-8P |
Buck |
VM |
1 |
1 |
20 |
2.9 |
13.2 |
0.8 |
12 |
16000 |
|
SOP-20 |
Buck |
VM |
2 |
2 |
30 |
10 |
13.2 |
1 |
12 |
5000 |
|
|
TDFN3x3-10 |
Buck |
COT |
1 |
1 |
25 |
1.8 |
28 |
0.7 |
5 |
250 |
|
|
TQFN3x3-20 |
Buck |
COT |
2 |
1 |
40 |
1.8 |
25 |
REFIN Setting |
5 |
700 |
|
|
QFN 3x3 20 TQFN 3x3 16 |
Buck |
COT |
1 |
2 |
20 |
3 |
28 |
1.8|1.5 1.35|1.2 0.5 |
5 |
800 |
|
|
TQFN3x3 20 |
Buck |
COT |
1 |
2 |
15 |
3 |
28 |
0.75 |
5 |
220 |
|
|
TQFN3x3 20 |
Buck |
COT |
1 |
2 |
15 |
3 |
28 |
0.75 |
5 |
220 |
|
|
TQFN3x3-20 |
Buck |
COT |
1 |
2 |
20 |
3 |
28 |
0.75 |
5 |
180 |
|
◀ 上一篇:CXSD62110同步降压脉冲宽度调制控制器来产生VDDQ源极和陷极LDO线性调节器来产生VTT
下一篇▶:带有差动电压反馈CXSD62112笔记本型PWM控制器是单相恒导通同步的PWM控制器驱动N通道mosfet
| 热门信息 |
|---|
| 最新信息 |
|---|
| 推荐信息 |
|---|
| 相关文章 |
|---|
| 无相关信息 |















