CXSD6263是一款高效高降压型DC-DC转换器,固定150KHz开关频率,可 提供最高0.8A输出电流能力,低纹波,出色 的线性调整率与负载调整率。CXSD6263内置固定频率振荡器与频率补偿电路,简化了电 路设计。 PWM控制环路可以调节占空比从0~100% 之间线性变化。
 
                           - 
                                     
[ 产品资料下载 ]
 
目录
7.相关产品
产品概述
返回TOP
CXSD6263是 一 款 高 效 、 高 压 降 压 型 DC-DC转换器,固定150KHz开关频率,可 提供最高0.8A输出电流能力,低纹波,出色 的线性调整率与负载调整率。CXSD6263内置固定频率振荡器与频率补偿电路,简化了电 路设计。 PWM控制环路可以调节占空比从0~100% 之间线性变化。内置输出过电流保护功能, 当输出短路时,开关频率从 150KHz降至 45KHz。内部补偿模块可以减少外围元器件 数量。
产品特点
返回TOP
 5V到80V宽输入电压范围
 输出电压从1.25V到20V可调
 最大占空比100%
 最小压降1V
 固定150KHz开关频率
 最大0.8A输出电流
 48V输入、5V输出推荐最大输出电流 0.6A
 48V输入、15V输出推荐最大输出电流 0.4A
 内置高压功率三极管  效率高达85%
 出色的线性与负载调整率
 EN脚TTL关机功能
 内置过热关断护功能
 内置限流功能
 内置输出短路保护功能
 TO252-5L封装
应用范围
返回TOP
 电动车控制器供电
 通信
技术规格书(产品PDF) 返回TOP需要详细的PDF规格书请扫一扫微信联系我们,还可以获得免费样品以及技术支持!
 
产品封装图
返回TOP


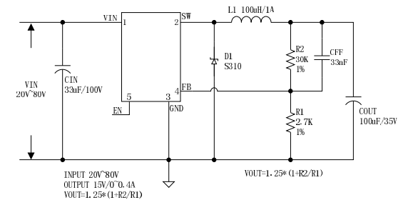
电路原理图
返回TOP

相关芯片选择指南
返回TOP
| 
			 降压型直流电源变换器芯片(高电压型)  | 
		||||||
| 
			 产品型号  | 
			
			 输入电压  | 
			
			 开关电流  | 
			
			 开关频率  | 
			
			 电压版本  | 
			
			 封装类型  | 
		|
| 
			 5V ~ 80V  | 
			
			 0.4A  | 
			
			 150KHz  | 
			
			 Adj (1.25V)  | 
			
			 SOP8L-EP  | 
		||
| 
			 5V ~ 80V  | 
			
			 0.8A  | 
			
			 150KHz  | 
			
			 Adj (1.25V)  | 
			
			 TO252-5L  | 
		||
| 
			 12V ~ 90V  | 
			
			 0.5A  | 
			
			 150KHz  | 
			
			 Adj (1.25V)  | 
			
			 SOP8L-EP  | 
		||
| 
			 10V ~ 80V  | 
			
			 0.6A  | 
			
			 150KHz  | 
			
			 Adj (1.25V)  | 
			
			 TO252-5L  | 
		||
| 
			 10V ~ 80V  | 
			
			 1A  | 
			
			 150KHz  | 
			
			 Adj (1.25V)  | 
			
			 TO263-5L  | 
		||
| 
			 12V ~ 90V  | 
			
			 0.6A  | 
			
			 150KHz  | 
			
			 Adj (1.25V)  | 
			
			 SOP8L-EP  | 
		||
| 
			 12V ~ 90V  | 
			
			 2.1A  | 
			
			 150KHz  | 
			
			 Adj (1.25V)  | 
			
			 TO220-7L  | 
		||
◀ 上一篇:CXSD6262A高效高压降压型 DC-DC转换器固定150KHz开关频率0.4A输出电流5V到80V宽输入电压
下一篇▶:CXSD6264 高效高压降压型DC-DC转换器12V至90V工作电压0.5A输出电流内置高压功率MOSFET
| 热门信息 | 
|---|
| 最新信息 | 
|---|
| 推荐信息 | 
|---|
| 相关文章 | 
|---|
| 无相关信息 | 















