| 
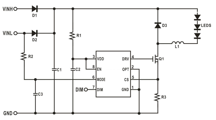
 CXLE87163固定关断时间控制模式的降压型LED恒流驱动器,用于高效地驱动多颗LED外置功率管,通过外部电阻可以设定 LED 输出的 平均电流,并且通过 MODE 脚外接高低电平可以实现 LED 输出的高低亮模式切换。另外,OPT脚接VDD或者接GND可以配置低亮模式时的LED输出亮度  | |||||||||||||||||||||||||||||||||||||||||||
| 
 
 目录产品概述 返回TOP CXLE87163 是一款工作在固定关断时间控制模式的降压型LED恒流驱动器,用于高效地驱动多颗LED。CXLE87163采用平均电流型的闭环恒流方式,系统应用时输出电流对电 感变化不敏感。这极大的提高了输出电流的恒流精度,特 别适用于8~80V输入电压范围的非隔离降压LED恒流驱动 电路。 CXLE87163 外置功率管,通过外部电阻可以设定 LED 输出的 平均电流,并且通过 MODE 脚外接高低电平可以实现 LED 输出的高低亮模式切换。另外,OPT 脚接 VDD 或者接 GND 可以配置低亮模式时的 LED 输出亮度。因此,只需要很少 的外围元件即可以实现 LED 输出的高低亮模式切换,极大 的节约了系统的成本和体积。 CXLE87163集成了 PWM 调光和模拟调光功能。LED 电流可以 通过外部 PWM 调光信号的占空比来进行调节,另外也可以 通过外部的模拟电平进行调节。调光接口十分简单方便。 CXLE87163集成了多种保护功能,以保证系统的稳定和可靠, 包括 LED 输出短路保护,LED 输出过流保护,芯片温度智 能控制和 VDD 供电欠压保护等。产品特点 返回TOP  系统宽输入电压范围:8~80V  固定关断时间控制模式  平均电流型的闭环恒流控制  ±5%LED 输出电流精度  LED 输出高低亮模式  低亮模式的 LED 亮度可选  对电感变化不敏感  集成 PWM 调光功能  集成模拟调光功能  系统工作效率高  VDD 内置 5.6V 稳压管  芯片内置使能功能  LED 输出短路保护  芯片温度智能控制  采用 SOP-8L 封装 应用范围 返回TOP  电动自行车 LED 照明  摩托车 LED 照明  其它 LED 照明 技术规格书(产品PDF) 返回TOP 需要详细的PDF规格书请扫一扫微信联系我们,还可以获得免费样品以及技术支持! 
 
  | |||||||||||||||||||||||||||||||||||||||||||
| 
			 产品型号  | 
			
			 调光方式  | 
			
			 功率管  | 
			
			 最大功率  | 
			
			 典型应用  | 
			
			 封装形式  | 
			
			 应用领域  | 
		
| 
			 SOT23-6  | 
			||||||
| 
			 SOT23-6  | 
			||||||
| 
			 SOP8  | 
			||||||
| 
			 ESOP8  | 
			||||||
| 
			 ESOP8  | 
			
                        





