| 
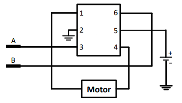
 400mA Bi-Direction Driver CXEP2349 is a bi-direction relay driver circuit, used to control the magnetic latching relay, with large output capability, ultra-low power consumption. It can be widely used  | |||||||||||||||||||||||||||||||||||||||||||||||||||||||||
| 
 
 目录产品概述 返回TOP CXEP2349 is a bi-direction relay driver circuit, used to control the magnetic latching relay, with large output capability, ultra-low power consumption. It can be widely used in smart meters and other pulses, level control applications. CXEP2349 can provide 400mA typical driving current, which will different according to the relay coil resistance. The input High Level Threshold of CXEP2349is 1.5V; it can compatible with most single chip microcontroller. CXEP2349is available in SOT-23-6 package.产品特点 返回TOP  1.8 to 5.5V input voltage range  Low Power Consumption (IQ<1uA)  Input High Level Threshold: 1.5V, compatible with most single chip microcontroller  Typical Driving Current: 300mA Rds(on)=12ohm(Vin=3V, PMOSFET+NMOSFET)  Peak Driving Current: 400mA@Vin=5V  Environment Temperature: -40C~85C  SOT-23-6 package 应用范围 返回TOP  Smart Meter 技术规格书(产品PDF) 返回TOP 需要详细的PDF规格书请扫一扫微信联系我们,还可以获得免费样品以及技术支持! 
 
  | |||||||||||||||||||||||||||||||||||||||||||||||||||||||||
| 磁保持继电器驱动(Relay Driver) | |||||||
| Part No. | Features | Standby | Input Mode | Output | VDD | Package | Application | 
| CXPC2302C | Bidirectional Relay Driver | 10nA | (1)Pulse(100ms) (2)Voltage | 500mA | 40V | DIP8 SOP8 | 电表,功率补偿器,磁保持继电器 | 
| CXPC2302D | Bidirectional Relay Driver | 10nA | (1)Pulse(100ms)(2)Voltage | 500mA | 40V | SOT23-6 | 电表,功率补偿器,磁保持继电器 | 
| CXPC2302E | Bidirectional Relay Driver | 10nA | (1)Pulse(100ms)(2)Voltage | 400mA | 5~25V | DIP8 SOP8 | 电表,功率补偿器,磁保持继电器 | 
| CXPC2302F | Bidirectional Relay Driver | 10nA | (1)Pulse(100ms) (2)Voltage | 500mA | 5~36V | SOT23-6 | 电表,功率补偿器,磁保持继电器 | 
| CXEP2349 | Bidirectional Relay Driver | <1μA | (1)Pulse(100ms) (2)Voltage | 500mA | 1.8~5.5V | SOT23-6 | 电表 | 
                        





